产品展示

VSKV-KR系列双线分配器

VSKV-KR系列双线分配器

产品简介:VSKV-KR型双线分配器正面设上下二排出油口,分配器活塞正反向动作时分别从上排和下排的出油口排出润滑脂。还可以从指示杆的动作直接观察分配器的工作情况,并可通过调整螺钉在规定范围内调整出油口的给油量。...
订购咨询

24小时咨询热线
+86-0513-83629999

产品介绍

  • 详细介绍
  • 产品选型手册
  • 订购咨询
一、使用条件
VSKV-KR型双线分配器正面设上下二排出油口,分配器活塞正反向动作时分别从上排和下排的出油口排出润滑脂。还可以从指示杆的动作直接观察分配器的工作情况,并可通过调整螺钉在规定范围内调整出油口的给油量。
该型分配器适用于公称压力为40MPa 的双线式干油集中润滑系统中,它在两条供油主管交替的供油压力作用下,直接由供油压力控制活塞动作给油,完成向润滑点定量分配润滑脂的功能。

二、技术参数
型号
公称压力MPa
动作压力Mpa
额定给油量ml/循环
调整螺钉每转一圈调整量ml
VSKV*-KR
40
≤1.5
0-1.5
0.05

使用介质为锥入度不低于265(25℃,150g)1/10mm 的润滑脂(NLGI0#~2#)或粘度等级大于N68 的润滑油;使用环境温度为-10~80℃;使用介质为润滑油时,请在20MPa 压力下使用。
三、型号说明
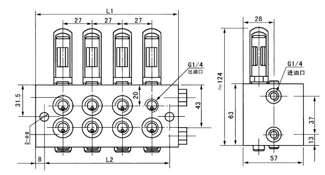
四、外形尺寸
型号
VSKV2-KR
VSKV4-KR
VSKV6-KR
VSKV8-KR
L1
52
80
108
136
L2
36
64
92
120
五、使用说明
分配器安装使用环境温度在-10~80℃以外的必须在订货合同中注明,以便供货时提供耐低、高温油封。
Copyright © 2018 南通市华东润滑设备有限公司  苏ICP备18034116号      
技术支持:HUOSU