咨询热线:+86-0513-83629999
首页
关于我们
了解华东
企业文化
生产设备
资质荣誉
南通市华东润滑设备有限公司成立于2003年初,是专门从事润滑设备研发、制造与销售及服务的企业。
产品中心
稀油润滑系统
稀油润滑配件
干油润滑系统
干油润滑配件
喷射润滑站
液压系统
智能润滑系统
公司目前有干油润滑、稀油润滑、智能润滑三大类产品。产品已广泛应用于冶金、矿山、重机、电力、化工、建材、石油、港口、码头、造纸、船舶、环保、军工、机床等行业。
新闻资讯
公司新闻
行业动态
聚集华东润滑实时动态,发布行业新闻资讯,欢迎您的关注!
合作伙伴
解决方案
润滑常识
技术文摘
公司经过消化国际上先进技术的基础上,自主创新,研发了符合中国国情的全系列润滑产品。
联系我们
联系方式
在线留言
欢迎来电来函咨询,我们将竭诚为您服务!
导航菜单
首页
关于我们
了解华东
企业文化
生产设备
资质荣誉
产品中心
稀油润滑系统
稀油润滑配件
干油润滑系统
干油润滑配件
喷射润滑站
液压系统
智能润滑系统
新闻资讯
公司新闻
行业动态
合作伙伴
解决方案
润滑常识
技术文摘
联系我们
联系方式
在线留言
产品展示
首页
>
产品中心
>
稀油润滑配件
>
稀油润滑系统
稀油润滑配件
干油润滑系统
干油润滑配件
喷射润滑站
液压系统
智能润滑系统
WBZ型卧式齿轮油泵装置
产品简介:本产品适用于稀油润滑系统或液压传动系统中,作为输送润滑油或作为液压系统动力源的油泵装置,也可用于排送无腐蚀性的润滑液体介质。适用介质的粘度等级为N22~N460(相当于ISO VG22~VG460)的工业润滑油或液压油。...
订购咨询
24小时咨询热线
+86-0513-83629999
产品介绍
详细介绍
产品选型手册
订购咨询
一、概 述
本产品适用于稀油润滑系统或液压传动系统中,作为输送润滑油或作为液压系统动力源的油泵装置,也可用于排送无腐蚀性的润滑液体介质。适用介质的粘度等级为N22~N460(相当于ISO VG22~VG460)的工业润滑油或液压油。
二、技术参数
型 号
公称压力Mpa
重量kg
型 号
公称流量
吸入高度
型 号
功率
转速
WBZ2-16
0.63
CB3-B16
16
500
Y90S-4-B3
1.1
1400
55
WBZ2-25
CB3-B25
25
56
WBZ2-40
CB3-B40
40
Y100L1-4-B3
2.2
1420
80
WBZ2-63
CB3-B63
63
100
WBZ2-100
CB3-B100
100
Y112M-4-B3
4
1440
118
WBZ2-125
CB3-B125
125
146
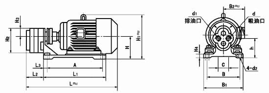
三、外形尺寸
型号
L≈
L1
L2
L3
A
B
B1
B2≈
C
H
H1≈
H2
H3
H4
h
d
d1
d2
WBZ2-16
448
360
76
27
310
160
220
155
50
130
230
128
43
30
109
G3/4"
G3/4"
15
WBZ2-25
456
48
WBZ2-40
514
406
92
25
360
215
250
180
55
142
287
152
50
116
G1"
G3/4"
15
WBZ2-63
546
433
104
387
244
290
190
162
315
136
WBZ2-100
660
485
119
27
433
250
300
210
65
172
345
185
60
40
140
G1 1/4 "
G1"
15
WBZ2-125
702
500
126
448
280
330
200
383
168
四、型号说明
产品选型手册
资料下载
立 即 提 交
关于我们
了解华东
企业文化
生产设备
资质荣誉
产品中心
稀油润滑系统
稀油润滑配件
干油润滑系统
干油润滑配件
喷射润滑站
液压系统
智能润滑系统
新闻资讯
公司新闻
行业动态
合作伙伴
解决方案
润滑常识
技术文摘
联系我们
联系方式
在线留言
联系我们
公司总机:
+86-0513-83621947
销售热线:
+86-0513-83629999
传真:0513-83621606
E-mail:
hxy##*#hrmade.com
地址:江苏省启东市永和镇工业园区6号
Copyright © 2018 南通市华东润滑设备有限公司
苏ICP备18034116号
技术支持:
HUOSU